この画像を大きなサイズで見る人間の脳細胞を組み込んだ、半生物的コンピューターチップは、いずれシリコンベースのチップを凌駕する可能性があるかもしれない。
昨年オーストラリア、モナシュ大学の研究チームによって、人間の脳細胞を内蔵したバイオ・コンピューターチップが開発された。
『DishBrain(ディッシュブレイン)』と呼ばれるそのチップは、脳ならではの学習能力と意欲を発揮して、ものの5分で『ポン』というエアホッケーのようなシンプルなテレビゲームをプレイできるようになった。
その大きな可能性にオーストラリア政府が注目し、軍の国防戦略に活かすべく、およそ6000万円の助成金を提供することになったそうだ。
脳細胞を組み込んだバイオ・コンピューターチップ「DishBrain」
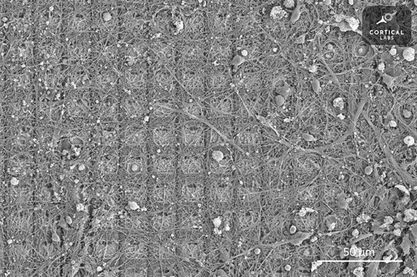
オーストラリア、モナシュ大学とCortical Labs社が共同で開発した「DishBrain」は、人間の脳細胞約80万個が内蔵されたバイオ・コンピュータチップである。
最大の特徴は、内蔵された極小電極アレイで脳細胞の活動を読んだり、電気信号で刺激したりできる点だ。
この画像を大きなサイズで見るそれによって発揮される学習能力はまさに脳のよう。たとえば「ポン」というエアホッケーのようなテレビゲームを教えてやると、わずか5分でプレイできるようになったのだ。
そのためには電気刺激でDishBrainの脳細胞に、ボールの位置、ボールとパドルの距離、パドルを左右に動かす方法を教える。
DishBrainはこれでゲームの世界を認識するようになるが、それだけではプレイしてくれない。だから今度はプレイする動機を与えてやる。
脳細胞には、予測できないことより、予測できることを好むという性質がある。
そこでパドルでボールを跳ね返せれば、脳細胞に予測可能な刺激を与える。その反対に跳ね返せなかったときは、4秒間まったく予測不可能な刺激を与える。
こうすることで、DishBrainはボールを跳ね返す報酬を求めて、自らポンをプレイするようになったのだ。
つまりは半生物半機械のチップ(ミニ脳)が世界を感じ、それに基づいて行動するようになったということだ。
この画像を大きなサイズで見るオーストラリア政府が出資
これに注目したのがオーストラリア政府だ。
この研究を支援するために、情報や国家安全保障に関連する研究のサポートプログラム「国家情報安全保障研究助成プログラム(NISDRG)」を通じて、60万豪ドル(約5700万円)の助成金を与えることを決定した。
プロジェクト・リーダーのアディール・ラジ准教授は、生物学的コンピューティングと人工知能を融合させたこのチップは、「将来的には、シリコンで作られた従来のハードウェアの性能を凌駕するようになるかもしれません」と、プレスリリースで語る。
こうした研究はプランニング、ロボット工学、高度自動化、ブレイン・マシン・インターフェース、創薬など、さまざまな分野でオーストラリアに大きな戦略的優位性をもたらすだろうとのことだ。
ラジ准教授によるなら、DishBrainのような発明は「一生学習を続ける新しいタイプの機械知能」なのだという。
これを搭載された機械は、状況の変化をきちんと学習し、これまでとは違う状況に上手に対応することができる。
その高度な学習能力は、自動運転車・ドローン・ロボットといった新時代の自律システムの基礎になると期待されるとのことだ。
References: Research to merge human brain cells with AI secures national defence funding - Turner Institute for Brain and Mental Health / Computer chip with built-in human brain tissue gets military funding
















人間の脳細胞を演算に使うと、「ヤッベ、ま、いっかw」みたいな挙動をしだすと思うのだが
>>1
その「ま、いっか」加減のために人間の脳を使うのでは?
誰だったのかとても怖い
ギルファー?
あのこれバイオニューロチップじゃん
マジやべーよAIより危険じゃん
バイオコンピューターか
有機部品だから冷却が重要になるな、そして質量のある残像を生み出せるようになる
>>5
なんとぉ~~~~!!!!
脳細胞はどこからが脳なのか
意志を持ち自我が芽生えたりすることはないのだろうか
>>6
この子は入力出力が可能だけど人権はない。
B型デバイスついに来たな
アイテムを入手しました カレンデバイスBD-6Kr
>>9
フロントミッション懐かしい
ひいい怖い
ロボットと言うより新人類みたいで怖い
これAIが滅亡迅雷netに接続案件待ったなしだな
>>11
「人類よ、これは聖戦だ! 滅亡迅雷.netの意志のままに!」
>>11
人間の悪意を利用してアークが人間を支配する
まさかライダーネタをここで観れるとは
意思を持つかもしれないね。
おいおい、中国の人間クローンよりやばいの出てきたぞ。
倫理はどこへ行ったの…
これってやっぱり性能は素材の人間の能力や個性次第?
のちのボーグ集合体の始まりであった
世界が本当にSFの世界になってきた感あるな
莫大な電力消費た発熱が避けられない既存のシリコンベースコンピュータより
圧倒的にエネルギー消費が少なく低発熱で済むのは大きなメリットだと思う
>>19
カーボンベースユニットが世迷いごとを
なんか絶対踏み込んじゃいけない方に突き進んでる気がするのは気のせいか?
本当、科学者の好奇心と国を強くしたい政治家の欲は倫理とか将来的な危険とか完全に無視するな…
>>21
そうしないと国が落ちぶれて下手すると滅ぼされちゃうからな
国家という仕組みがある限り逃れられない運命というか
いや、コレどんな人物のどういった経緯で脳組織を利用できることになったのか、そっちが一番気になるわ
踏み込んじゃいけない領域だろ
>>22
ミニ脳とかオルガノイドとかみたいな誰の物でも無い細胞使ってるんじゃないの
いやそうだと言って欲しい
>>22
実在人物と同じ遺伝子情報を持っていても
献体や研究関係者の皮膚や粘膜から採取した細胞でオルガロイドを作るなら問題ないのでは?
用途を理解してる人が運悪く怪我や病気で開頭せざるを得なくなったときに
治療のために切除した部位から使える部分を培養元にしてもいいし
病気やけがの治療のために
実在人物の遺伝情報を持った培養皮膚や軟骨や毛根を作って研究するのは怖いことなのか?
できちゃった皮膚や軟骨が移植だけじゃなく機械の関節に使えるとしたら倫理に反するのか?
皮膚はいいけど脳はダメなのか?
人によって禁忌の線引きは色々そうだよね
>>31
検体なら、とか線引きすらないし某巨大国家ではじゃあすぐ用意しますとなりそうで
クローンだよな?そうだよね?と記事を何度も見返しちゃった…
>>31デジタルでない分制御できるかどうかが疑問
生物は自己保存本能を持ってるしそれがどう影響するか
未知数過ぎて危険リスクがAIの比ではない
よくわからんが死ぬと腐るのかやっぱ?
「くっせ、このPC死んでるぞ」とかになるのか?
俺なら一旦、脳細胞に記憶させておいて、再び元の人間に戻す
語学、歴史、数学などすべての情報を記憶させれば、学校の授業は全て必要なくなり誰でも天才になれる
脳移植で英語がペラペラになるわけだ
軍事活用よりもそっちのほうが意味があるだろうな
>>24
はたしてそれは「元の人間」なのかい?
>>28
テセウスの船に通じる話でもありますね
>>24
そう考えると不思議だよな。俺らの脳細胞はこの実験の通り文字通りコンピューターのように勤勉なのに、それが人間の脳に入るとサボったりなまけたりしちゃう。
>>38
pongのルールは脳チップの制御外で誤魔化しようがないからな
出来ることならサボりたいと思ってるだろう
脳細胞って事は生きてると思うけど栄養はどうするんだこれ
攻殻機動隊 p2 (91年刊で98年の設定だったけど)
いつか誰かの脳細胞が組み込まれたガジェットを持ち歩いたりする日が来るのかしら
期待半分怖さ半分やね
20XX年、このコンピュータは自我に目覚めた
コンピュータの反乱フラグがまた一つ
生ものは腐って来るやろ
そうじゃなくて脳をサイバー空間やスーパーコンピュータに直接・間接的につなげられる技術をだな・・・
>>36
この技術自体が脳と電子回路を直結する第一歩だと思うよ。ただ、繋がれてた脳オルガノイドに意識があったとして、電子回路部分を自分の一部として感じるかは分からないけど。
R-TYPEよりフロントミッションが先に来たか…
ターミネーターのあの音が聴こえて来そう…。
テクノロジーは人間が使ってこそだと思う。機械に人間の知能なんで与えると碌なことにならんに決まっとる。
???「海にいくのよー!!!」
ロボコップ2かメルキア騎士団計画か
脳みそデバイス作るのってだいたい悪側よね
なんか熱に弱かったら草
人権発生する?
ロボブレイン出来そう
疑似脳きたか
装着する日も近いな