この画像を大きなサイズで見る炭素鋼に1%前後のクロムを添加した組成を持つ合金鋼をクロム鋼と言う。更にクロムを10%以上含ませたものはステンレス鋼となる。
腐食に対する耐性を持つ合金鋼「ステンレス」が発明されたのは、一般には1910年代のことであるとされている。
ところが英ユニバーシティ・カレッジ・ロンドンをはじめとする考古学者グループによる新しい研究によると、じつは1000年前のペルシア王朝時代にすでにステンレスに近いものが存在していたらしいことが判明したそうだ。
最初期のステンレス「るつぼ鋼」
鋼(はがね)とクロムが含まれた合金鋼、ステンレスがサビにくいのは、クロムがごく薄い膜を形成することで金属の腐食を防いでくれるからだ。
イラン南部の現在チャハクと呼ばれる地域で発見されたクロムを少量含有した「るつぼ鋼」は、現代のステンレスとまったく同じものではないが、研究グループによれば、銑鉄に意図的にクロムを混ぜて作られたものだという。
それはヨーロッパ産業革命よりはるか以前、11世紀にさかのぼることができ、これまでに知られているものとしては最初期のステンレスとして、武器や防具の製造に使われていたと推測されている。
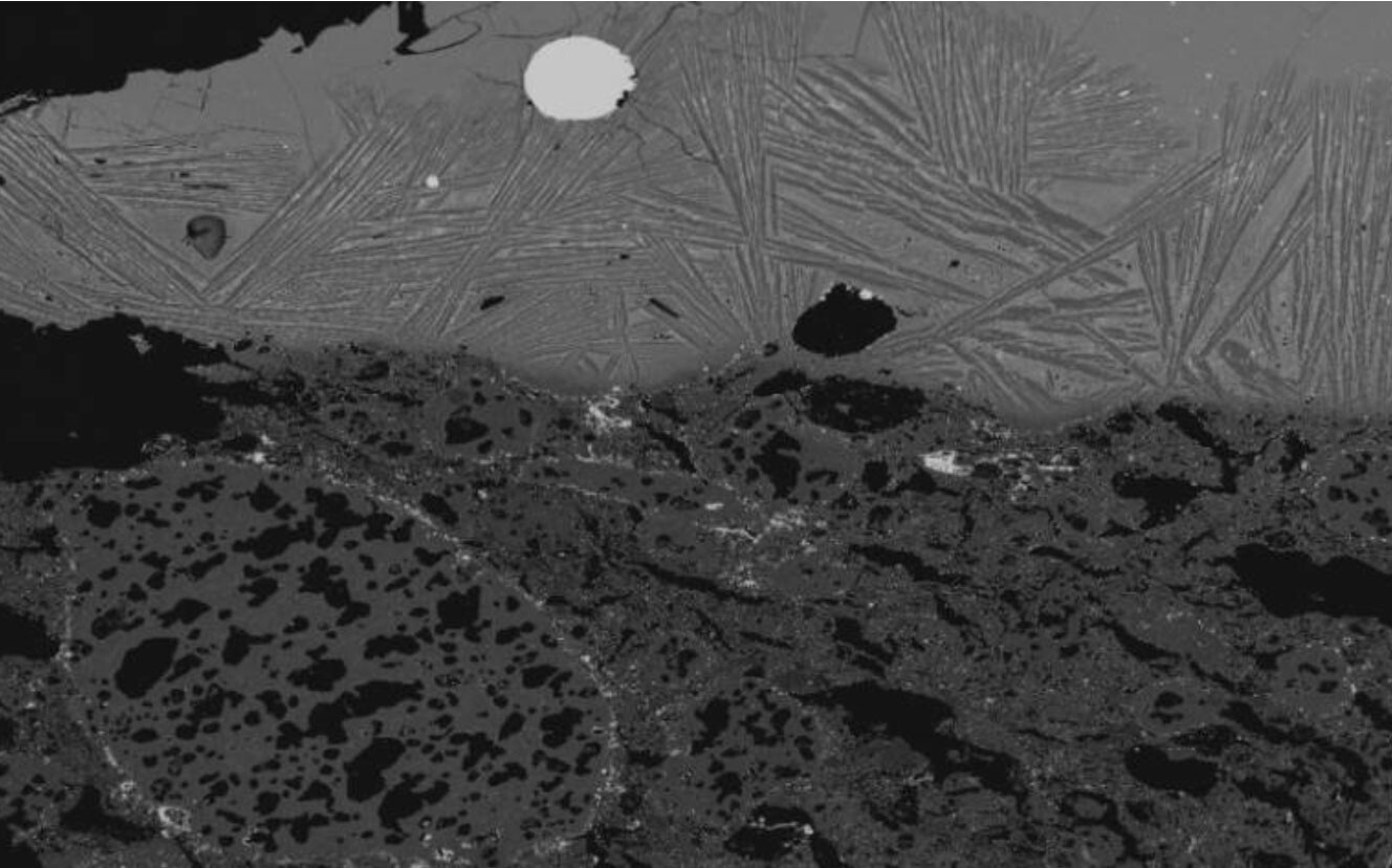
この画像を大きなサイズで見るイラン南部のチャハクで発見されたるつぼ鋼のスラグ。微量のクロムを含む
image by:Rahil Alipour/UCL
古い写本が手がかり
現在のチャハクは小さな村でしかないが、古い写本にはかつて鋼鉄生産の中心地だったことが記述されており、その当時この辺りでるつぼ鋼が作られていたことが知られている唯一の場所である。
今回の発見も、そうした文献が手がかりになったという。そうしたものの1冊、10~11世紀に博物学者ビールーニーによって記された『al-Jamahir fi Marifah al-Jawahir』(”宝石について知る抄録”の意)なる写本に、高温のるつぼで作られる鉄鋼の製造法が書かれていた。
だが1000年前の製造法を読み解くのは容易なことではない。研究グループも解読には大いに苦労したそうだ。
技術プロセスや素材を記している言語と用語は、今では使われていないものかも知れず、その意味や属性も今日の科学とは違うものである可能性があります。さらに文字は社会的エリートにのみ許されたもので、実際に作っていた人たちが使っていたわけでもないので、それが誤記や記載漏れにつながる恐れもあります
と、ケンブリッジ大学のマルコス・マルティノン=トレス氏は説明する。
この画像を大きなサイズで見る電子顕微鏡による内部の拡大写真。中央上部に銀色の粒が見える
image by:Rahil Alipour
“燃やされたもの”の謎
写本には「rusakhtaj」(”燃やされたもの”の意)なる謎めいた化合物について記述があった。頭を悩ました研究グループだったが、結局はこれがクロム鉄鋼の鉱石であることを突き止めた。
そして重要なことは、この記述がチャハク村から発掘された遺物から実際に裏付けられたことだ。
村のるつぼ跡から、11世紀から12世紀に行われた鉄鋼生産の過程で発生したと考えられる炭やスラグが検出。これを電子顕微鏡で調べたところ、少量のクロムが発見されたのだ。
そこに使われていたクロムは重量の1%程度のクロム鋼で、11~13%含有する今日のステンレスに比べればずっと少ない。
それでも、これによって道具や武器をさらに強く硬く仕上げることができる。鉄鋼にクロムが意図的に添加されていたことを示す最古の証拠であるという。
別の写本には、チャハクで作られたクロム鋼の繊細な模様を称賛しながらも(るつぼ鋼でもっとも有名なのはダマスカス鋼)、これから作られた刀剣は脆いという言及もあった。
サンプルからはリン(合金を作りやすくするためのもの)も多く見つかっているが、これを含むクロム鋼は脆くなる性質があり、この点においても写本の記述と一致しているとのことだ。
この研究は『Journal of Archaeological Science』(9月23日付)に掲載された。
Chromium crucible steel was first made in Persia – ScienceDirect
https://www.sciencedirect.com/science/article/abs/pii/S030544032030145X?via=ihub
References:newatlas / sciencealert/ written by hiroching / edited by parumo
















ラピュタのロボット兵やん
※1
あれはセラミックじゃなかったっけ?(うるおぼえ)
どっかでステンレス鉱山があるって言ってたやつがいたな
クロムってどこでも取れるもんじゃないから、偶然混ざったという可能性は低いよなぁ。主な産地はトルコ、カザフスタン、アラビア半島の一部だから、ペルシャなら入手しようと思えばでききる距離だけど、融点が約1900度と高いので、よく抽出できたもんだ。
>>3
そうなのか
なればこそ呼び名が「燃やされたもの」だったのかな
1%クロムならステンレスというより、そのものずばりのクロム鋼だね。
これでモリブデンも入ってたらクロモリ鋼だけど。
クロム!
※6
某グレートなバーバリアンさんかな?
古代のステンレスなら天叢雲剣が隕鉄から作られた何年経っても錆びる事がない
ステンレス製と言われてるな
某ステンレス会社で働いてたけどステンって何にでも使用してて需要あると思うけどニッケルの価格一つ上がり下がり激しいものだよ
>>これを電子顕微鏡で調べたところ
X線構造解析とかじゃなくて、電子顕微鏡?
まあ、できないことはないだろうけど、時間かかりそうだよね
>>英ユニバーシティ・カレッジ・ロンドン
ロンドン大学じゃないの?