この画像を大きなサイズで見る米カリフォルニア州ロサンゼルスを拠点に活動中の写真家、ローズ・リン・フィッシャーは、様々な感情や物理的刺激により流れる”人間の涙”を顕微鏡で観察し撮影した「涙のトポグラフィー」という作品を発表した。
撮影は、ツァイスの顕微鏡を使いデジタルカメラに接続し、ガラスのスライドに挟んだ涙を10倍と40倍に拡大して行われた。
この試みは、フィッシャーが個人的な喪失により泣き暮らしている時に始まった。涙を拭く代わりに彼女はそれを顕微鏡で覗いてみることにしたのだ。そして彼女は驚いた。涙の種類によってその見え方は変化しており、涙の成分が複雑にからみあって様々な模様を作り上げている。まるで上空から見下ろした、地上の風景のようだ。
すべての涙は、水分の中に、塩分、蛋白質、ミネラルにホルモン、抗体、酵素など種々の生物学的な物質が漂っているものだが、涙の種類により違う分子を含んでいるが、基本構造は、塩の大きな結晶があり、涙が乾く環境の違いが違う形と模様を作り上げる。
悲しみの涙
この画像を大きなサイズで見る大笑いした時の涙
この画像を大きなサイズで見る目に水を入れた時の涙
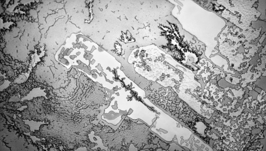
この画像を大きなサイズで見る玉ねぎを切った時の涙
この画像を大きなサイズで見る希望の涙
この画像を大きなサイズで見る再会の涙
この画像を大きなサイズで見る「涙は個々の粘性や化学反応、顕微鏡のセッティング、画像の現像方法などで見え方が大きく変わる。どれ1つとして同じデザインのものはできないところに面白さがある。」と彼女は語った。
References:The Microscopic Structures of Dried Human Tears | Science | Smithsonian Magazine
via:amusingplanet / written by LK
















たまねぎを切った時の涙がやばい
これまた「水の記憶」みたいにエセ科学に利用されそうなネタだなあ
アーティストの意図はそういうところには無いんだろうけどね
(終わりから始まりへの涙ってなに?)
†終わりから始まりへの涙†
待て、終わりから始まりって何だ?
赤子の一発目か?
玉ねぎを切った時の涙がなにげに玉ねぎっぽくてフイタwww
>涙は個々の粘性や化学反応、顕微鏡のセッティング、画像の現像方法などで見え方が大きく変わる
って、感情の話が無いやんけww
すごい
おれのあくびはどんなかな
嬉し涙なんて都市伝説やろ
すごいな、ほんとに地図みたい
「水からの伝言」に通じる素敵な話しですね♪
人体の70%は水だといいますし、肉体は水槽で水の方が生命の本体だったりして。
撮った環境の違いだけじゃ…?
※12
通じません
「水からの伝言」はインチキでありデタラメでカルト宗教の巣です
無知な人を騙している最低な人たちですよ
地獄への道は善意で舗装されているという言葉を信じている人々に贈ります
出てくる涙の量が多いと濃度が薄まるからでは?
あと塩分やその他ミネラル分の摂取量も関係ありそうだし、個人差もあるだろう。
雪の結晶みたいな儚さも感じるなぁ
人によっても違いそう!面白い試みだね!
終わりから始まりの涙って何?w
涙にも感情で違いあるんだなぁ
終わりから始まりへの涙って何?
目からウロコだね
※科学的なデータは存在しません
※20
これもまた科学的根拠になり得るデータだとは思うが?
これって「言葉によって水の結晶の形がー」と同じ類いのヤツなんじゃないの?
よくそんな折々に泣けるな…外国人は感情の起伏が激しいのかな
きれいだけど、「水からの伝言」みたいな眉唾話。
と思ったけど、この人写真家で「涙は個々の粘性や化学反応、顕微鏡のセッティング・・・どれ1つとして同じデザインのものはできないところに面白さがある。」というコンセプトで写真撮ってるんすね。いい着眼点っすね。
希望の涙もよくわからんけど作者のコンセプトからするとそもそも表題がおかしい。
大笑いの涙は濃度が濃そう。玉ねぎのやつ壁紙にしたいわ
>「涙は個々の粘性や化学反応、顕微鏡のセッティング、画像の現像方法などで見え方が大きく変わる。どれ1つとして同じデザインのものはできないところに面白さがある。」と彼女は語った。
科学云々とか言ってる人はまともに読んでないんだろうなあ。
そもそも信憑性がどうとかそういう話ではまったくない
嬉し涙なんて流したことがない。
たぶんオレの中には無い。
同じ悲しみの涙でも
撮る日によって全然違ったりはしないのかな
たしかに妻に出した精液より、セフレに出した精液の方がどろっとしてる気はする
涙の種類によってこんなに形が変わるのか
希望の涙とやらを流してみたい
※31
ワロタw(;▽;)
タイトルつけられるとなんかすっごいドラマティックな写真に見えてくるな。
成分分析を併記しない限りは「水にありがとう」と同じレベルよな
生き別れの母「…ジョン!会いたかったわ…!」
ジョン「ああ…僕もだよ…母さん…!!」
スタッフ「あ、すんませんちょっと涙貰っていいですか?」
水の記憶とか雪の結晶とかの話しではないけど
感情の違いで水の成分が多少変化するのはあると思う
脳内物質にも違いが出るから逆に同じ水の方が
病気なんじゃないのか?
再会の涙と思い出し泣きが似ているところが興味深い
※36
これ学術的なもんじゃなくてアート作品よ
興味深くはあるけどそれ以前に観察対象の涙がそれとなくじわる
気持ちや気分に関係なく流す涙ことに変わるということは考えられないのかな
次に悲しみの涙を流した時に見たら案外嬉し泣きのと似てるかもよ
そんなことより
>涙を拭く代わりに顕微鏡 って。
悲しみながらも「あ、そうだ☆」と発想したことを評価したい
あくびのときの涙はどんなかんじなんですかねえ(適当
この既視感ときたら…
原文読んでないけど科学云々言ってないところがいい!
涙に「ありがとう」と言うと綺麗な涙になる。
この世で最も美しいのは美少年の涙ワニね
嬉し涙に「くそばかやろー!!」とか罵倒したら形は変化するのだろうか?!
ションベンでも違いはでるのかな歓喜でもらした時と失意により漏らした時と
汚い話ですまんな
花粉症の涙、あくびしたときの涙、怪我などの痛みの涙とか
もっとわかりやすいネタもあるだろうに「始まりと終わり」って
なんやねん
玉ねぎの涙の画像が木の小枝に降り注ぐ雪の結晶って感じに見える